Типы счетчиков электроэнергии
На сегодняшний день эти устройства различают, в первую очередь, по принципу действия. Существуют следующие виды электросчетчиков:
Индукционные. В основе работы таких устройств лежит принцип электромагнитной индукции. Счетчики такого типа были чрезвычайно распространены в последние десятилетия ХХ века из-за их высокой надежности, небольшой погрешности в измерениях и низкой стоимости. В настоящее время индукционные устройства перестают соответствовать возрастающим требованиям к учету электроэнергии, так, они неспособны качественно работать при наклоне корпуса более 10, чувствительны к перепадам температур и воздействиям сильных магнитных полей. Кроме того, на сегодняшний день появилось достаточно большое количество способов замедлить или остановить вращение алюминиевого диска, который входит в конструкцию таких устройств. Для этого применяют самые разные приспособления – от специальных трансформаторов до мощных ниодимовых магнитов.
Электронные электросчетчики. В настоящее время такие приборы учета электроэнергии активно заменяют устаревшие индукционные модели. В немалой степени этому способствует государство, обязывая потребителей устанавливать счетчики такого типа, а также повышая требования к точности учета электроэнергии. К главным преимуществам электронных устройств можно отнести их высокую надежность, точность измерений, небольшие габаритные размеры, возможность учета электроэнергии по нескольким тарифам в зависимости от времени суток, а также значительные сложности, возникающие при попытках «обмануть» такой счетчик.
В зависимости от количества фаз электрической сети, в которой выполняется установка электросчетчика, может быть использована однофазная или трехфазная его модель. Однофазные устройства являются более дешевыми и простыми в установке и эксплуатации. В подавляющем большинстве квартир в современных домах используется именно однофазная сеть.
Существуют счетчики, предназначенные для учета активной и реактивной электрической энергии. Поскольку в системах электроснабжения квартир и частных домов, где возможно самостоятельное подключение электросчетчиков, должны использоваться приборы учета активной энергии, то имеет смысл ограничиться рассмотрением только таких их моделей.
Что касается двухтарифных или трехтарифных устройств, то их установка связана с получением дополнительных разрешений от компании-поставщика электроэнергии и требует заключения отдельного договора. В последнее время нагрузка на электрические сети значительно возросла, что провоцирует поставщиков электроэнергии стимулировать население к переходу на двухтарифные (двухзонные) приборы учета.
Как правило, трехтарифные устройства применяют на предприятиях, хотя законодательно не запрещена их установка в частных квартирах.
Еще одним признаком, по которым могут быть классифицированы счетчики электрической энергии, является их напряжение и номинальный ток. Установка устройств, которые предназначены для работы с номинальным током, превышающим значение 100 А, осуществляется посредством косвенного включения (через трансформаторы тока). Такие приборы используются в трехфазных сетях с мощными потребителями, их установка осуществляется исключительно специалистами.
Металлический шкаф для электросчетчика
В качестве мер по защите в случае, если электронный электрический счетчик был установлен на столбе, обустраивается специальный металлический ящик для него. Такой ящик устанавливается еще перед монтажом счетчика и имеет специальное смотровое окошко (для беспрепятственного снятия показаний).
Металлический ящик выполняет сразу несколько функций, а именно:
- Защиту от вандализма и краж. Чтобы ящик выполнял эту функцию, его надежно закрепляют на столбе и снабжают запорным механизмом;
- Защиту от воздействия влаги, что позволяет существенно увеличить эксплуатационный период прибора учета электроэнергии;
- Защиту от переохлаждения. Если температура окружающего воздуха снижается ниже нулевой отметки, то прибор учета может начать работать некорректно. Погрешность измерений может быть существенной, что скажется на суммах платежек за поставленное потребителю электричество. Из этого следует, что хорошая теплоизоляция шкафа для электросчетчика – это мера, направленная на обеспечение правильной работы прибора учета.
Провода от электросчетчика скрывают в специальной защитной металлической трубе. Распределительный щиток с автоматами целесообразно оставить в доме, а на столб вынести один защитный автомат.
В заключение следует отметить, что установка и подключение электросчетчика не является очень сложной процедурой, однако, не имея опыта проведения подобных работ, не следует выполнять их самостоятельно.
Лучше обратиться к специалистам, поскольку от того, насколько правильно установлен счетчик, зависит электроснабжение всего дома, а также работа всех имеющихся в нем электрических приборов. Кроме того, не следует забывать и о собственной безопасности при проведении установки электросчетчика на уличном столбе.
В дополнение к вышесказанному, мы предлагаем ознакомиться с видеоинструкцией, которая поможет при сборке управляющего щита для установки электросчетчика на улице на столбе.
Типы трехфазных счетчиков
Вообще, тип счетчика, а иногда и его марка, указан в проекте электрификации. Очень редко случается, но у вас могут спросить, какой трехфазный счетчик вы желаете. Такие либеральные проэктанты встречаются крайне редко, и все же, стоит хоть немного разбираться в теме. Есть трехфазные счетчики для подключения трех и четырех проводов. Первые подключаются если нет «нулевого» повода. С этим разобраться несложно.
Далее необходимы выбрать тип счетчика:
Трехфазные счетчики прямого включения. Наиболее простое подключение, так как подсоединяются напрямую к сети. Мощность подключаемой нагрузки не более 60 кВт, ток не более 100 А. К ним можно подключать провода сечением 15 мм² (не более 25 мм²). Это ограничивает область применения — в основном их ставят в домах и квартирах, на небольших предприятиях.
Выбор типа трехфазного счетчика зависит от потребления тока
- Трехфазные счетчики косвенного включения. Их можно подключать только через трансформаторы тока и напряжения. Ставят обычно на предприятиях, потому что ограничений по мощности такой тип не имеет.
- Полукосвенного (трансформаторного) подключения. Также требуют включения через трансформаторы, но не настолько мощные, как косвенные, поэтому могут применяться в частных домах. При определении платы за электроэнергию показания необходимо умножать на передаточный коэффициент.
Выбирать вам особо не придется, так как тип счетчика, обычно, тоже указывается в проекте. Для частных домов либо прямого, либо полукосвенного подключения, в квартирах преимущественно прямого. Прямое подключение проще в реализации (просто завести провода на клеммы), элементарно считать показания — просто списывать их. При установке полукосвенного счетчика, нужны трансформаторы тока (ТТ) или напряжения (зависит от проекта) и рекомендовано подключение через испытательную коробку. Под все эти устройства требуется место в щите. Что еще надо помнить, что при расчете показаний требуется учитывать коэффициент трансформации для каждой фазы. То есть, надо будет показания умножать на этот коэффициент.
Подключение трехфазного счетчика через трансформатор
Счетчики при подключении к линии 220В или 380В могут пропускать мощность не выше 60 кВт, потому что ток ограничивается лишь 100 амперами. Этого достаточно для комфортного проживания в квартире или частном доме. Но если у вас есть собственное производство с высокомощным оборудованием, то пропускной мощности обычного счетчика вам не хватит. Поэтому потребуется установка через трансформатор.
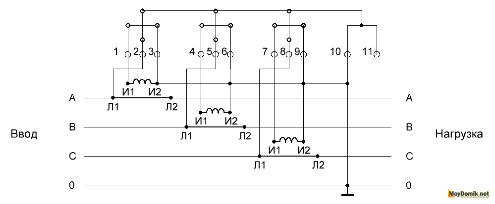
Схема с 10 проводами
Достоинство схемы – отделенные друг от друга цепи напряжения и тока: пользоваться электроэнергией будет безопасно. Недостаток – для подключения требуется много проводов.

Потребуется три трансформатора тока: по одному на каждую фазу. Кратко будем обозначать их ТТ. У каждого ТТ есть 4 клеммы:
- Л1 – для ввода фазного провода (А, В или С);
- Л2 – для выхода фазного провода;
- И1 – для входа токоизмерительной обмотки;
- И2 – для вывода токоизмерительной обмотки.
У счетчика электроэнергии в таком случае число клемм должно равняться одиннадцати (будем клеммы обозначать кратко – К):
- К1 – ввод фазной линии А;
- К2 – ввод токоизмерительной обмотки силовой линии А;
- К3 — вывод фазы А к потребителям;
- К4 – ввод фазной линии В;
- К5 – ввод токоизмерительной обмотки силовой линии В;
- К6 — вывод фазы В к потребителям;
- К7 – ввод фазной линии С;
- К8 – ввод токоизмерительной обмотки силовой линии С;
- К9 — вывод фазы С к потребителям;
- К10 – ввод нулевого провода;
- К11 – вывод нулевого провода.
Каждый ТТ включается в разрыв фазного провода через клеммы Л1 и Л2. Измерение расхода электроэнергии происходит за счет подключения токоизмерительной обмотки через клеммы И1 и И2.
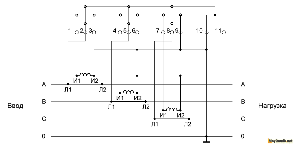
Схема звездой
Достоинство – использование меньшего числа проводов (экономия на закупке вторичных проводников). Недостаток – сложность чтения схемы и затруднения при проверке точности работы.

Принципиальное отличие от десятипроводной схемы заключается в соединении в одну точку однополярных выходных контактов вторичной обмотки ТТ. Осталось еще три провода, которые от выводов ТТ направляются к счетчику электроэнергии. В звезду соединяются и обмотки тока внутри счетного корпуса.
Схема с объединенными цепями напряжения и тока (с семью проводами)
Достоинство – использование меньшего количества проводов. Недостаток семипроводной схемы – высокий риск поражения током людей, обслуживающих цепь. Поэтому сегодня происходит массовый переход на десятипроводную схему.

Отличие схемы от десятипроводной – наличие перемычек между клеммами 1 и 2, 4 и 5, 7 и 8 на электросчетчике. Перемычки есть и у ТТ: на контактах Л1 и И1.
Установка счетчика через испытательные блоки
Согласно правилам учета электроэнергии (конкретно – 1.5.23) подключение электрического счетчика через трансформатор должно осуществляться с использованием испытательной коробки. Она необходима для:
- Закорачивания вторичной трансформаторной обмотки для гашения импульсных всплесков напряжения;
- Подсоединения эталонного электросчетчика без отключения нагрузки;
- Замены электросчетчика при отключении цепей только в испытательной коробке.
Подключать испытательную коробку удобно по десятипроводной схеме. Отличие заключается лишь в том, что между счетчиком и ТТ располагается сама коробка, в которую вводятся и выводятся провода И1 и И2. Испытательная коробка позволяет их закорачивать (показано на схеме пунктирной дугой).

Типы и особенности счетчиков
Счетчик электроэнергии однофазный однотарифный Тайпит Нева 103.5 1S0 Электросчетчик – специальное устройство, позволяющее вести учет затрат энергии постоянного или переменного тока. Он предназначен для монтажа в квартире или доме. Существует несколько типов приборов.
По принципу действия
Производители выпускают такие модификации:
- Электромеханические. Индукционный электросчетчик функционирует по принципу образования магнитного поля двумя катушками – тока и напряжения. Поле обеспечивает вращение диска, а он активирует механизм подсчета. При увеличении параметров тока и напряжения диск крутится быстрее. Гарантийный срок службы изделий составляет 15 лет.
- Электронные. Прибор отличается компактностью, ведет подсчет по нескольким тарифам. Электронный аппарат выводит показания на дисплей и хранит их в памяти. Его можно подключать к системе «умный дом».
Точность индукционных моделей – 2,5. Электронные часто выходят из строя.
По количеству тарифов
Бывают модели:
- однотарифные – ведут учет по одной системе;
- многотарифные – подсчитывают энергозатраты по дневному и ночному тарифу.
По способу крепления
Приборы устанавливаются на болты-фиксаторы или Дин-рейку.
Подбирать мощность аппарата нужно по мощности всей техники.
Как правильно подключить электросчетчик и автоматы
Винтовые прижимы располагаются следующим образом:
- нижний ряд (4 винта): подключение питающей фазы, подключение отходящей фазы, для питающего нулевого провода, отходящего нулевого кабеля,
- верхний ряд зажимов предназначен для закрепления клемм, питающих проводов, выходящих на точки в квартире (выключатели света или розетки).
В-третьих. перед подключением однофазного и трехфазного электросчетчика нужно убедиться, что электрическое напряжение, поступающее в квартиру, отсутствует.
- К автоматическому выключателю подводим питающие провода (нулевой — справа и фазой – слева). Снимаем и зачищаем изоляцию, и подключаем к автомату через верхние контакты.
- Для проводки с автоматического выключателя на счетчик используют провода определенного сечения. Расчет сечения производят с учетом суммарной мощности всего электрооборудования в квартире.
Схема однофазного счетчика. Подключение счетчика. Схема однофазного счетчика достаточно проста. В данной статье я расскажу вам, как подключить однофазный счетчик. Я уже писал ранее, как правильно выбрать электросчетчик для дома, квартиры.
Теперь после покупки счетчика, стоит новая задача – подключить однофазный счетчик к электросети. Однофазные счетчики для домов и квартир, изготавливают прямого включения, т.е. без дополнительных понижающих трансформаторов тока. Ничего сложного в подключении однофазного счетчика нет, перед установкой счетчика внимательно изучите документацию.
инструкции, примеры подключения схем однофазного счетчика и т.д.
Подготовительные работы
Перед тем, как подключить счетчик электроэнергии, необходимо провести подготовительные работы. Установить бокс, в котором будет монтироваться все оборудование.
Большая часть современных счетчиков является модульными. Это значит, что их установка производиться на специальную монтажную рейку, что существенно облегчает и упрощает процесс монтажа. Так же, модульными являются и бытовые серии защитного оборудования, сюда относятся:
- автоматические выключатели
- УЗО (устройства защитного отключения)
- дифференциальные автоматы
- различные переходные клеммы и нулевые шины
- ограничители напряжения
- индикаторы напряжения
Они устанавливаются в специальные боксы, изготовленные из специальной негорючей пластмассы. Эти боксы, могут быть навесными и встраиваемые, иметь различные размеры, которые зависят от количества установочных мест внутри щита.
Бокс используемый в примере, навесного исполнения, рассчитан на 24 установочные позиции, имеет две дин рейки по 12 мест. Дин рейка — металлическая пластина, на которую монтируется модульное оборудование.
Бокс состоит из двух основных частей:
- наружная — защитная крышка с дверкой
- внутренняя, — в комплектацию которой входят, одна или несколько дин реек, их количество зависит от того, на сколько установочных позиций рассчитан бокс. И нулевая шина, предназначенная для распределения питающего нуля, между всеми отходящими проводами.
Переходим, к подготовке бокса к монтажу. Снимаем верхнюю крышку. Для этого необходимо открутить 4 винта крепления наружной крышки.
Перед нами, внутренняя часть бокса. Как видно на ней имеются две, упомянутые выше дин рейки.
И нулевая шина.
Монтируем бокс на стену. Стоит отметить, что согласно требований ПУЭ (правила устройства электроустановок), высота установки счетчика внутри помещения, должна соответствовать определенным размерам, 0,8-1,7 метра от пола. Такие требования обусловлены тем, что бы контролер или пломбировщик, обслуживающей электрической организации, имел возможность, снять показания счетчика без применения табуреток и стремянок. Оптимальной высотой установки, является высота уровня глаз среднего человека, 1,6-1,7 метра.
В зависимости от материала стены, используем необходимые крепления, дюбеля по бетону или саморезы по дереву.
И так, бокс установлен. Переходим к монтажу модульного оборудования.
Полукосвенный метод
Счетчик прямого включения ограничен по техническим характеристикам и функциям, поэтому иногда выбираются модели для установки с трансформаторами тока. Схема того, как подключается счетчик через трансформаторы тока, указывается на корпусе и в технической документации прибора.
Принцип основан на том, что токовые цепи подключаются через трансформаторы тока, цепи напряжения — сразу к сети 0,4 кВт. Любая схема включения рассматривается слева направо.
Этапы установки
Установка с трансформаторами обычно выбирается для предприятий или бытовых помещений, где используется мощное электрооборудование.
Установка счетчика с трансформаторами тока проводится по следующим этапам:
- Откручивание крепежных винтов до необходимого пространства для ввода проводов в зажим клеммы.
- Провод очищается от изоляционного слоя на высоту 25 миллиметров, без перекосов вставляется в отверстие на счётчике (не допускается попадание в зажим участка провода с изоляцией).
- Сперва закручивается верхний винт, затем нижний. Легким подергиванием провода вниз убеждаются в его надежной фиксации. Через 10 минут снова нужно проверить провод, так как медь имеет свойство растягиваться. При необходимости следует закрепить контур надежнее.
- Идентично подсоединяются остальные провода.
- Клеммы закрываются крышкой.
При общей нагрузке по току свыше 100 Ампер, актуально подключение трехфазного счетчика через трансформаторы тока.
Сборка через трансформаторы
Схема подключения через трансформаторы тока бывает косвенная и полукосвенная.
Подключение трансформаторов тока не применимо для моделей прямого включения. Как правило, схема подключения присутствует на самом приборе, а также в прилагаемой инструкции.
Трехфазный счетчик электроэнергии соединяется с трансформаторами в соответствии с маркировкой.
Л1 — питание от автомата (вход). Л2 — выход на потребителя. И1 — ввод, подключаемый на клеммы 1, 3, 5. И2 — выход, подключаемый на 2, 4, 6 клеммы.
Для соединений под болт, на провода можно использовать наконечники НКИ.
Пример подключения
Перед счетчиком и трансформаторами устанавливается автоматическое устройство, защищающее от коротких замыканий и блокирующее сеть при превышении максимальных нагрузок. Трехфазная сеть балансирует пофазное распределение нагрузки. Каждая фаза обеспечивается автовыключением.
Подведение начинается с левой стороны. На вводном автомате 3 фазы: A, B, C. Трансформаторы условно разделяют на соответствующие фазы. Цвета проводов выбираются в соответствии ГОСТу. В схематехнике маркируются для наглядности цветными стикерами.
Схема подразумевает подключение проводов к клеммам 3 фазного счетчика через трансформаторы с дальнейшим их выводом на потребителя.
Выходящий провод из А-вводного автомата подсоединяется к шине Л1 первого трансформатора. Провод с той же маркировкой отводится от И1 трансформатора к первой клемме. От второй клеммы провод подсоединяется к И2 первого трансформатора. Седьмая клемма в этом случае — для заземления. От болта напряжения трансформатора провод отводится на соответствующую клемму. На приведенных фото эти 3 клеммы в верхнем ряду.
Аналогичная схема подключения трансформаторов применима для каждого из них.
Схематичная инструкция всегда указывается на самом приборе.
Расположение клемм на приборах Энергомера несколько отличается:
Начиная слева, каждые три клеммы, следующие по порядку, составляют одну фазу. К 1, 4, 7 клеммам, контуры подсоединяются от И1 трансформатора. К 3, 6, 9 — от И2. 2, 5, 8 — подключение цепи напряжения. 10 или 11 (Энергомера предлагает 10 и 11 клемм) — нулевой проводник (может быть любой из двух).
Принцип звезды
Подобная схема подключения трехфазного счетчика через трансформаторы тока, дает возможность использовать меньше проводов. Особенность «звезды» — объединение выводов И2 всех трансформаторов в узел, выводимый на нулевой проводник.
Минус такой схемы — затрудненность проверки для служб.
Принцип функционирования трёхфазных счётчиков
Трёхфазный прибор учёта электроэнергии отличается от однофазного аналога возможностью функционировать в достаточно мощных сетях. Если стандартные электросчётчики на 220В устанавливаются в электрическую цепь, мощность которой не более 10 кВт, то, приборы трёхфазного типа работают при мощностных нагрузках от 15 кВт и намного больше. Такие многофункциональные аппараты одинаково хорошо работают как в стандартной бытовой сети, так и контролируют потребление энергии трёхфазными электродвигателями. При этом стандартные контролирующие приборы данного типа состоят из следующих конструктивных частей:
- токопроводящей обмотки;
- обмотки напряжения;
- червячного механизма, приводящего в движение циферблат;
- алюминиевого диска и магнита.
Читать также: Обратное сверло по металлу
Стандартные индукционные приборы учёта энергии, используемые в сети 380В, такие как «Меркурий», оборудованы пластиковыми корпусами, которые защищают все механизмы от попадания влаги или различного рода загрязнений. Внутри корпуса размещены 2 сердечника вокруг одного из которых наматывается токовая обмотка, подключаемая параллельным способ в сеть. В свою очередь, вокруг другого элемента намотана обмотка напряжения, витки которой имеют увеличенный диаметр по сравнению с токовым налогом. Посредине между катушками в образованном пространстве, расположен диск из алюминия, вращение которого происходит посредством полей создаваемых обмотками.
Для обеспечения демонстрации показаний в счётчике расположен механизм червячного типа, через который подключается механическая стрелка либо электронное табло для вывода данных. В свою очередь, магнит предназначен для регулировки функционирования контролирующего прибора. Все обмоточные выводы подключаются к клеммным контактам учётного устройства и выводятся к фазе. Чтобы предотвратить вмешательство в работу электросчётчика со стороны потребителя, выходы пломбируются представителями компании-поставщика электроэнергии.
Схемы подключения счетчиков полукосвенного включения
Выделяют несколько способов подключения:
Десятипроводная схема подключения счетчика
Эта схема хороша тем, что здесь не связаны между собой цепи измерения тока и напряжения, что повышает ее электробезопасность. Однако, она требует большего количества проводов, чем другие схемы.

Десятипроводная схема подключения счетчика
Последовательность:
- Контакт 2 подключается на Л1 фазы А
- Контакт 3 подключается на И2 фазы А
- Контакт 4 подключается на И1 фазы В
- Контакт 5 подключается на Л1 фазы В
- Контакт 6 подключается на И2 фазы В
- Контакт 7 подключается на И1 фазы С
- Контакт 8 подключается на Л1 фазы С
- Контакт 9 подключается на И2 фазы С
- Контакт 10 подключается на нулевой провод
Схема с подключением трансформаторов тока в звезду
Позволяет сэкономить на монтаже вторичных проводов.

Схема с подключением трансформаторов тока в звезду
Последовательность выполнения:
- Контакты 3, 6, 9 и 10 замыкаются между собой и подключаются на нулевой провод
- Все контакты И2 замыкаются между собой и на контакт 11
- Контакт 1 подключается на И1 фазы А
- Контакт 4 подключается на И1 фазы В
- Контакт 7 подключается на И1 фазы С
- Контакт 2 подключается на Л1 фазы А
- Контакт 5 подключается на Л1 фазы В
- Контакт 8 подключается на Л1 фазы С
Подключение счетчика через испытательную клеммную коробку
По сути дела, повторяет десятипроводную схему подключения, только в разрыве между электросчетчиком и остальными элементами устанавливается переходная коробка, позволяющая безболезненно снимать и устанавливать учетный прибор.
Счетчики косвенного включения
Такие счетчики используются для учета расхода электроэнергии при напряжениях выше 6кВ, поэтому рассматривать их мы здесь не будем.
Подключение электросчетчика через трансформаторы тока

Система учета в четырех-проводных сетях подразумевает измерение электроэнергии при помощи 3-фазных счетчиков, конструкция, которых рассчитана на прямое подключение или при использовании трансформаторов тока.
При подключении 3-фазных трехэлементных электросчетчиков в 4-провдную цепь, в которой есть цепи U и I расположенные раздельно, используются (ТТ) трансформаторы тока, они делают измерительный электросчетчик универсальным устройством, он называется трансформаторным счетчиком.
Рассмотреть присоединение такого прибора можно на примере «Меркурия 230А».
Подключение электросчетчика через трансформаторы тока выполняется при помощи десятипроводного кабеля. Конструкция использует раздельные токовые цепи и цепи напряжения.

Рис №1. Схема включения 3-элментного Меркурия 230А в электросеть с четырьмя проводами.
Для схемы обязательно присоединение всех трех элементов измерения счетчика с обязательным строгим соблюдением полярности и с чередованием фаз в прямом порядке относительно соответствующему U.
При использовании чередования фаз обратной полярности в присоединении во вторичной обмотке ТТ произойдет замер отрицательных величин мощности, производимым в измерительном элементе прибора. Для схемы обязательно присутствие нулевого проводника.
Неисправности схемы присоединения:
- Окисление, а также ослабление контактов на выводах ТТ.
- Обрыв или излом фазных проводников в цепях Uвтор.
- Неисправность самого трансформатора тока.
Для решения вопроса как подключить электросчетчик через трансформаторы тока может использоваться 7-проводная схема присоединения счетчика, рассмотренная на примере электросчетчика СА4У-И672М.

Рис №2. Схема присоединения СА4У-И672М. Перемычки Л1 – И1 устанавливаются на ТТ. Перемычки: 1 – 2; 4 – 5; 7 – 8 находятся на клеммах прибора.
Для этой схемы характерно использование совмещенных, объединенных в одну цепь I и U, это возможно при помощи установки перемычек в измерительном приборе и на ТТ.
Схема имеет несколько существенных недостатков:
- Токовые цепи прибора всегда под напряжением.
- Трудно выявить во время работы электрический пробой внутри ТТ.
- Использование перемычек И2 – Л2 для ТТ и перемычки 1 – 2 на клеммах прибора приводит к появлению добавочной измерительной погрешности.
Для электроустановок низкого напряжения 380/220В, используется схема с соединением концов вторички ТТ И2 с токовыми выводами прибора в одной точке.

Рис №3 Схема присоединения электросчетчика в сети на четыре провода «звездой» с использованием чередования фаз в прямом порядке.
Самый распространенный универсальный способ подключения, обеспечивающий безопасное обслуживание, это: подключение электросчетчика через трансформаторы тока, с использованием испытательной коробки для низковольтных сетей U – 220В.

Рис№4. Монтажная схема соединения счетчика через испытательную коробку.
Испытательные коробки используются для электросчетчиков, подключенных с помощью измерительных ТТ, это способствует повышению безопасности производства работ при проведении ТО и ТР. Это помогает осуществлять замену и проверку схемы присоединения прибора, позволяет определить погрешность в измерениях непосредственно на месте установки электросчетчика при наличии нагрузочного тока без отключения потребителей.
Использование испытательных коробок это непременное действие для потребителей I категории, когда не допускается любой перерыв в электроснабжении.

Рис №5 Конструкция испытательной коробки.
Практические схемы подключения трехфазных счетчиков, выбор и установка
Групповые автоматы можно объединить перемычкой такого же сечения, а лучше сделать это специальной гребенкой особенно если автоматических выключателей много. Устанавливаем в шкаф нулевую шину и шину заземления. 3. С правого полюса с нижнего контакта 2-х полюсного автомата подключаем «нулевую» перемычку на контакт «3» электросчетчика.
Вид с обратной стороны… С обратной стороны все должно выглядеть примерно так, как на фото ниже… 4. С контакта «4» электросчетчика «нулевую» перемычку подключаем к общей шине N. Теперь берем крышку, которой закрывается доступ к болтам прибора учета электроэнергии и вырезаем по специальным меткам в ней отверстия для пропуска перемычек. Должно получиться так… Ставим крышку на место. Она крепится центральным болтиком. Не забудьте перед ее установкой протянуть еще раз все болты. Вид сзади… Теперь прикладываем крышку корпуса шкафа.





































