Как сделать газовое отопление частного дома своими руками
Монтаж автономного отопления своими руками вполне по силам человеку, имеющему навыки подобных работ
Подробно рассмотрены различные схемы монтажа, уделено внимание отдельным деталям
Самостоятельно можно выполнить все работы по монтажу системы отопления дома, кроме:
- врезки системы отопления дома в газовую сеть;
- проектирования газового отопления дома.
Врезку и проектирование выполняют только специализированные организации, имеющие лицензии.
Порядок работ
Принцип работы водяного отопления следующий: вода, нагретая газовым котлом, естественным или принудительным образом циркулирует по трубопроводам, отдавая помещениям тепло. Оптимальная схема отопления двухэтажного частного дома включает устройство системы с теплыми полами на первом этаже и радиаторного отопления на втором этаже. Циркуляция теплоносителя может быть естественной (самотечной) или принудительной (циркуляционным насосом).
Рассмотрим порядок монтажа автономного газового отопления на примере 2-ух этажного дома:
- монтаж котла в котельной на первом этаже;
- монтаж группы безопасности, расширительного бака, циркуляционного насоса
- установка насосно-смесительного узла для теплых полов для циркуляции теплоносителя нужной температуры;
- установка коллектора для теплого пола;
- укладка теплого пола (спецификацию материалов и порядок работы можно найти в интернете);
- установка радиаторов и подключение их к коллектору во всех помещениях второго этажа;
- по окончании полного монтажа отопления делается заливка бетоном теплого пола.
Схемы отопления частного дома с газовым котлом могут быть двух типов:
1. Одноконтурная схема отопления частного дома с газовым котлом (замкнутая, рассчитанная только на обогрев помещений)
2. Двухконтурная схема с использованием специального котла (одновременно отопление и нагрев водопроводной воды)
Схемы разводки автономного отопления
Разводка отопления от газового котла основана на нескольких типовых схемах отопления, которые отличаются по типу циркуляции теплоносителя (обычно воды) и по методам разводки трубопроводов. Различают следующие виды монтажа отопления:
- Однотрубная разводка отопления, в которой трубы закольцованы, а радиаторы расположены последовательно. Теплоноситель, выходя из котла, проходит каждый радиатор по очереди. Температура теплоносителя по мере движения снижается. Примитивна и несовершенна, поскольку температура теплоносителя к концу цикла падает.
- Система «ленинградка» с выделенными байпасами радиаторами является промежуточной и позволяет устранить часть проблем однотрубной схемы;
- Усовершенствованная система «ленинградка» с запорными и балансировочными вентилями;
- Двухтрубная разводка представляет параллельно друг другу идущие трубы подачи и обратки. Позволяет отработавший в радиаторе теплоноситель возвращать для подогрева в котел. Подача теплоносителя к радиатора по такой схеме происходит без потерь тепла.
- Лучевая (коллекторная) разводка распределяет собранный теплоноситель по отдельным радиаторам. Схема сложная, используется нечасто.
Схемы отопления 2-х этажного частного дома могут быть следующие:
1. Система отопления открытого типа
Расширительный бачок — открытая емкость с входным патрубком, подключенным к стояку подачи. Он устанавливается в самой высокой точке системы отопления — теплоноситель не переливается наружу, а расширительный бачок дополнительно выполняет роль воздухоотводчика.
Схема автономного газового отопления открытого типа
2. Система отопления закрытого типа
В системе устанавливается герметичный расширительный бачок, разделенный эластичной мембраной на водяную и воздушную камеры. При температурном расширении излишки теплоносителя попадают в водную камеру бачка. Давление в воздушной камере возрастает, и при снижении температуры давлением теплоноситель возвращается в трубопроводы. Бачок может быть установлен в любой точке, но обычно его монтируют рядом с котлом на трубе обратки. Устанавливается предохранительный клапан сброса давления.
Схема с естественной и принудительной рециркуляцией, которые используются при отоплении двухэтажного частного дома
Специфика обвязки полипропиленом
Весомым плюсом полипропиленовых трубопроводов признают возможность создать контур любой сложности, что в принципе не очень интересует тех, кем обвязка котла отопления своими руками осуществляется впервые. Чем проще схема будущей системы, тем легче будет воплотить задумку. Да и производительность отопления обратно пропорционально степени сложности: чем проще, тем эффективней. Для выполнения соединений домашний мастер может пользоваться, как технологией сварки, так и подобранными строго по размеру труб фитингами. Правда, при малейших «подвижках» в местах установки фитингов, система может начать слегка протекать.
С помощью полипропиленовых труб можно создавать контуры отопления любой сложности, однако следует помнить, что сложность затрудняет монтаж и сокращает КПД системы отопления
Желательно, чтобы у создаваемой системы отопления было наименьшее количество соединений. Если есть возможность сделать плавный переход, ею нужно воспользоваться.
Полипропиленовый трубопровод без проблем будет работать 40 лет, гарантированных производителем, прекрасно выдержит давление, значения которого превышают 25 бар. Без нанесения вреда структуре материала по трубам может циркулировать теплоноситель с температурой 95º. Однако есть ограничение, учесть которое необходимо, если осуществляется обвязка газового котла.
Подключение газа к котлу обязательно должно быть жестким, строительные требования диктуют применение металлических элементов для соединения и использование паронитовой прокладки
У подводки газа к котлу должно быть жесткое соединение. Строительными требованиями рекомендована металлическая труба и состыковка с генератором тепла через металлический сгон или «американку». Использовать можно только прокладку из паронита. Резиновые материалы, фум-ленты, пакля запрещены. Паронит, полученный путем вулканизации смеси асбестовых волокон, минеральных наполнителей и каучука, отлично держит форму, обеспечивает герметичность и не горит. Другие прокладочные материалы склонны к возгоранию, а зажатая между элементами резина может сократить размер газового прохода. При уменьшении диаметра прохода будет сокращена подача газа, и котел не будет поставлять требующееся количество тепла.
Как обеспечить бесперебойность работы системы?
Схема устройства одноконтурного и двухконтурного котла.
Если схема обвязки двухконтурного котла включает в себя установку циркуляционного насоса, то надо обеспечить защиту от его выключения при перебоях с электричеством. Если насос выключится, то для принудительной подачи теплоносителя в систему будет просто не хватать условий. Но тут есть и свои моменты, так как даже установленный источник для бесперебойного питания может и не сработать, то есть полагаться на него полностью нельзя. Это означает, что любой настенный котел требует постоянного внимания и обслуживания. Не требуется наблюдать за системой каждый день, но выполнять осмотры регулярно все же требуется. Аккумуляторы надо держать в заряженном состоянии, проверять их работоспособность.
Чтобы настенный отопительный котел работал четко и правильно, в некоторых случаях рекомендуется обустраивать гравитационную циркуляцию. Это требуется, если размер газового котла не такой большой. Подобный гравитационный контур включается в том случае, если происходит отключение установленного насоса. Но надо учесть, что настенный котел при этом способен обогреть не все здание целиком, а только его часть. Это аварийная, а не постоянная система, об этом забывать нельзя.
Для двухконтурного газового котла возможна установка специальной бесперебойной системы, которая будет являться частью штатного отопления. Такая система обеспечит функционирование гравитационного и принудительного контура в оптимальном режиме. Это означает, что схема обвязки котла будет функционировать четко практически при любых обстоятельствах. Но работают эти контуры отдельно, то есть при отключении насоса включается гравитационная система. Когда циркуляционное оборудование снова начинает работать, то гравитационное отключается.
Решение вопроса, как правильно подключить двухконтурный котел, необходимо много внимания уделить не только установке самого оборудования, но и подключения всех труб, дополнительных устройств, насоса. Также схема требует наличия аварийной системы, обеспечивающей работоспособность и безопасность при самых разных нештатных ситуациях. Обвязка для двухконтурного котла сложнее, чем для одноконтурных, но качество и эффективность ее намного выше, что сказывается на качестве отопления для частного дома.
Функции обвязки
Обвязка — это комплект приборов, устройств, и трубопроводов, используемых для передачи теплоносителя к батареям отопления. В структуру ее включена вся система теплоснабжения, исключая радиаторы.
Любое газовое оборудование потенциально опасно. Ошибки при установке приводят не только к проблемам с обогревом жилища, но и к взрывоопасной ситуации. При составлении проекта и монтаже необходимо неукоснительно соблюдать требования безопасности и нормы СНиП 41-01-2003 «Отопление, вентиляция и кондиционирование».
Подбор схемы зависит от типа устанавливаемого котла, конструкционных и функциональных особенностей здания, вида системы теплоснабжения. Схему нужно заранее спланировать, подобрать оптимальные точки для установки оборудования, определить нюансы обустройства трубопроводов.

Котел — основной элемент системы теплоснабжения
Обвязка выполняет такие важные функции:
- Контроль давления. При правильно устроенной обвязке нивелируется тепловое расширение, следовательно, давление не достигнет опасных значений.
- Недопущение завоздушивания. Пробки в трубопроводе образуются из-за пузырьков воздуха. Эффективность обогрева снижается, так как батареи полностью не нагреваются при неизменном расходе топлива.
- Предупреждение засоров. При неправильной обвязке котла в трубах и батареях велик риск образования ржавчины и окалины. Присутствие в жидкости даже мелких частиц мусора приводит к загрязнению всей системы. Это приводит к повышению расхода топлива и, соответственно, затрат на теплоснабжение при потере его качества.
- Подсоединение дополнительных контуров. Допускается установка «теплого пола», накопительного бойлера.
Качество обогрева дома зависит от способа подсоединения газового отопителя к трубам и прочим элементам, потому план обвязки должен подбираться и разрабатываться заранее.
Что такое обвязка и из чего ее делают
В системе отопления две основные части — котел и радиаторы отопления или теплый пол. То что их связывает и обеспечивает безопасность — это и есть обвязка. В зависимости от типа установленного котла используются разные элементы, потому обычно рассматривают отдельно обвязку твердотопливных агрегатов без автоматики и автоматизированных (чаще — газовых) котлов. У них разные алгоритмы работы, основные — возможность нагрева ТТ котла в фазе активного горения до высоких температур и наличие/отсутствие автоматики. Это накладывает ряд ограничений и дополнительных требований, которые приходится выполнять при обвязке котла, работающего на твердом топливе.

Пример обвязки котла — сначала идет медь, потом — полимерные трубы
Что должно быть в обвязке
Для обеспечения безопасной работы отопления обвязка котла должна содержать ряд устройств. Обязательно должны быть:
- Манометр. Для контроля давления в системе.
- Автоматический воздухоотводчик. Для спуска воздуха, попавшего в систему — чтобы не образовывались пробки и не стопорилось движение теплоносителя.
- Аварийный клапан. Для сброса чрезмерного давления (подключается к системе канализации так как стравливается некоторое количество теплоносителя).
- Расширительный бак. Необходим для компенсации теплового расширения. В системах открытого типа бак ставится в верхней точке системы и представляет собой обычную емкость. В закрытых системах отопления (обязательно с циркуляционным насосом) ставится мембранный бачок. Место установки — в обратном трубопроводе, перед входом в котел. Он может быть внутри настенного газового котла или устанавливается отдельно. При использовании котла для подготовки воды для ГВС также необходим расширительный бак в этом контуре.
Циркуляционный насос. Обязателен к установке в системах с принудительной циркуляцией. Для повышения эффективности отопления может стоять и в системах с естественной циркуляцией (гравитационных). Ставится на подачу или обратку перед котлом до первого ответвления.
Часть этих устройств уже установлена под кожухом газового настенного котла. Обвязка такого агрегата очень проста. Для того чтобы не усложнять систему большим количеством отводов манометр, воздухоотводчик и аварийный клапан собирают в одну группу. Есть специальный корпус с тремя отводами. На него накручиваются соответствующие устройства.

Так выглядит группа безопасности
Устанавливают группу безопасности на подающем трубопроводе сразу на выходе котла. Ставят так, чтобы легко было контролировать давление и можно было вручную стравить давление в случае необходимости.
Какими трубами делать
Сегодня в системе отопления уже редко используют металлические трубы. Их все чаще заменяют на полипропилен или металлопластик. Обвязка газового котла или любого другого автоматизированного (пеллетного, на жидком топливе, электрического) возможна сразу этими видами труб.

Настенный газовый котел можно подключать полипропиленовыми трубами сразу от входа котла
При подключении твердотопливного котла хотя-бы метр трубы на подаче непроходимо делать металлической трубой и лучше всего — медной. Дальше можно ставить переход на металлопластик или полипропилен. Но и это — не гарантия того, что полипропилен не разрушится. Лучше всего сделать дополнительную защиту от перегрева (закипания) ТТ котла.

При наличии защиты от перегрева обвязку котла можно сделать полиропиленовыми трубами
Металлопластик имеет более высокую температуру эксплуатации — до 95°C, чего достаточно для большинства систем. Можно ими делать и обвязку твердотопливного котла, но только в случае наличия одной из систем защиты от перегрева теплоносителя (рассказано чуть ниже). Но металлопластиковые трубы имеют два существенных недостатка: сужение в месте соединения (конструкция фитингов) и необходимость регулярной проверки соединений, так как они со временем текут. Так что обвязку котла металлопластиком делают при условии использования в качестве теплоносителя воды. Незамерзающие жидкости более текучие, потому в таких системах обжимные фитинги лучше не использовать — они все равно будут течь. Даже если заменить прокладки на химически стойкие.
Классические схемы обвязки
Устройство двухконтурного настенного газового котла обязательно предполагает его обвязку, что является гарантией долгосрочного использования отопительной системы.
В самом начале циркуляция выполняется по малому контуру, пока не достигается определенная температура.
При достижении нужной температуры, циркуляция выполняется по большому контуру. Правильным будет создание нескольких контуров, для того чтобы обеспечить качественную регулировку температурного режима.
Котел отопительный газовый двухконтурный настенный имеет классическую схему, которая включает в себя:
- Насос циркуляционный.
- Распределительный клапан.
- Бачок расширительный.
- Фильтры.
- Хомуты, крепежные и другие элементы.
Обвязка настенного двухконтурного газового котла может быть проведена несколькими способами.
Обвязка настенного двухконтурного газового котла может проводиться по прямой и смесительной схеме.

Правила установки на стену или пол
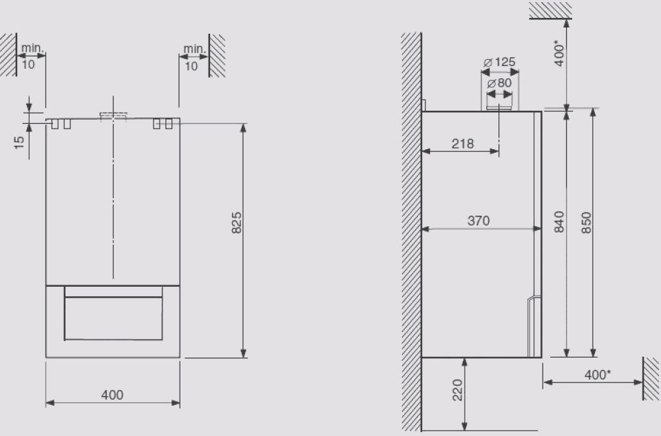
Газовый агрегат нужно размещать внутри отдельного помещения. которое соответствует таким требованиям:
- Имеется окно, которое можно открыть в любой момент.
- Наличие действующей вентиляции.
- Наличие газовой и водопроводных труб.
- Наличие розетки для обеспечения работы циркуляционного насоса и электроники. Конечно, она должна быть концом отдельной ветви, которая отходит от электрического щитка. Этот кабель должен быть подключен к отдельному защитному автомату. Кроме этого обязательным является заземление.
Также есть требования относительно правильности размещения котла в доме. Они такие:
- Расстояние между главным элементом системы отопления и другими газовыми приборами должно превышать 20 см.
- Вблизи не должно быть окна.
- Дистанция между котлом и розеткой должна составлять как минимум 0,5 м (по крайней мере, такие рекомендации дают производители). Вообще, чем дальше розетка от котла, тем лучше. Стоит добавить, что некоторые модели имеют кабель питания без вилки. Это означает, что провод нужно подключать своими руками сразу к размещенному в электрощитке автоматическому выключателю.
- Пространство между боковыми стенками котла и прилегающими стенами или предметами должно быть больше 15 см.
- Стена, на которую или вблизи которой проводится монтаж котла, должна быть прочной и покрытой невоспламеняющимися веществами. Если стена такая, которая может загореться, ее следует покрыть как минимум 3-мм негорючим материалом. Об этом часто отмечают в различных видео.
Предохранительные клапаны

открытой системе отопленияуберечь котел от повреждений
Во время реагирования клапана часть воды вытекает из системы, что обеспечивает сброс давления и защиту. Вставлять трубку для отвода в канализацию не следует, поскольку причина снижения давления не будет ясна. Можно обойтись воронкой. Кстати, нет нужды забрасывать септик в теплоноситель.
Воздухоотводчик . Деталь необходимо ставить сразу после монтирования котла, чтобы избежать «завоздушивания». Зачастую его забывают просто открыть. Это свойственно и для настенных вариантов с заводской функцией. К слову, циркуляционный насос тоже проветривается.
Воздушник должен стоять строго вертикально вверх. В случае, когда он начинает протекать, перед ним стоит отсечной клапан, поэтому замена на новый займет пару минут.
Циркуляционный насос. Насос исправно будет работать только при горизонтальном положении оси, и такое положение заметно продлит «жизнь» подшипникам.
Механизм желательно защитить от грязи и мусора извне. Отдельно продаются сетчатые фильтры
Радиаторы. Недочеты при подключении панельного радиатора к теплоносителю. Проект радиаторов подразумевает подсоединение подающей трубы к внутреннему парубку, находящемуся почти в центре, и к крайнему — в обратной трубе. Обратный порядок соединения снизит в два раза теплоотдачу радиатора. Кстати, декоративные экраны нарушают теплообмен на 10- 20%.
Грамотный монтаж и верность расчетов мощности помогут создать максимальный комфорт для проживания в загородном доме в любое время года.
Принцип работы двухконтурного газового котла
Теперь мы приступим к разбору принципа работа газового двухконтурного котла. Назначение отдельных узлов и модулей мы выяснили, теперь эти знания помогут нам понять, как работает все это оборудование. Рассматривать принцип работы будем в двух режимах:
- В режиме обогрева;
- В режиме генерации горячей воды.

В режиме обогрева котел обеспечивает ваш дом теплом.
Сразу отметим тот факт, что работа в двух режимах сразу невозможна – для этого в двухконтурных котлах предусмотрен трехходовой клапан, направляющий часть теплоносителя в контур ГВС. Давайте рассмотрим принцип работы при обогреве, а потом узнаем, как работает техника в режиме горячего водоснабжения.
В режиме обогрева двухконтурный котел работает так же, как и самый обычный проточный нагреватель. При первом включении горелка работает довольно долго, поднимая температуру в контуре отопления до заданной отметки. Как только будет достигнут необходимый температурный режим, подача газа отключится. Если в доме установлен датчик температуры воздуха, то автоматика будет учитывать его показания.
На работу газовой горелки в двухконтурных котлах может влиять и погодозависимая автоматика, контролирующая температуру уличного воздуха.
Тепло от работающей горелки нагревает теплоноситель, который гоняется по отопительной системе в принудительном режиме. Трехходовой клапан находится в таком положении, чтобы обеспечить нормальное прохождение воды через основной теплообменник. Продукты сгорания удаляются двумя способами – самостоятельно или с помощью специального вентилятора, располагающегося в верхней части двухконтурного котла. Система ГВС при этом находится в отключенном состоянии.
Работа в режиме подачи горячей воды
Что касается контура горячего водоснабжения, то он запускается в тот момент, когда мы поворачиваем ручку водопроводного крана. Появившийся ток воды приводит к срабатыванию трехходового клапана, который отключает отопительную систему. Одновременно с этим происходит розжиг газовой горелки (если на тот момент она была отключена). Спустя несколько секунд из крана начинает течь горячая вода.

При переходе в режим подачи горячей воды, контур отопления полностью отключается.
Давайте разберем принцип работы контура ГВС. Как мы уже говорили, его включение приводит к отключению работы отопления – здесь может работать только что-то одно, или ГВС или отопительная система. Управляет всем этим трехходовой клапан
Он направляет часть горячего теплоносителя во вторичный теплообменник – обратите внимание, что никакого пламени на вторичке нет. Под действием теплоносителя теплообменник начинает греть протекающую через него воду. Схема несколько сложноватая, так как здесь задействуется малый круг циркуляции теплоносителя
Подобный принцип работы нельзя назвать самым оптимальным, зато двухконтурные газовые котлы с раздельными теплообменниками могут похвастаться нормальной ремонтопригодностью. Каковы особенности котлов с комбинированными теплообменниками?
Схема несколько сложноватая, так как здесь задействуется малый круг циркуляции теплоносителя. Подобный принцип работы нельзя назвать самым оптимальным, зато двухконтурные газовые котлы с раздельными теплообменниками могут похвастаться нормальной ремонтопригодностью. Каковы особенности котлов с комбинированными теплообменниками?
- Более простая конструкция;
- Высока вероятность образования накипи;
- Более высокий КПД у ГВС.
Как мы видим, недостатки плотно переплетаются с достоинствами, но раздельные теплообменники ценятся больше. Конструкция несколько усложняется, зато здесь отсутствует накипь
Обратите внимание, что в момент работы ГВС протекание теплоносителя по отопительному контуру останавливается. То есть, его длительная работа способна нарушить тепловой баланс в помещениях. Как только мы закрываем кран, происходит срабатывание трехходового клапана, и двухконтурный котел переходит в режим ожидания (или сразу же включается подогрев чуть остывшего теплоносителя)
В таком режиме оборудование будет находиться до тех пор, пока мы снова не откроем кран. Производительность некоторых моделей достигает до 15-17 л/мин, что зависит от мощности используемых котлов
Как только мы закрываем кран, происходит срабатывание трехходового клапана, и двухконтурный котел переходит в режим ожидания (или сразу же включается подогрев чуть остывшего теплоносителя). В таком режиме оборудование будет находиться до тех пор, пока мы снова не откроем кран. Производительность некоторых моделей достигает до 15-17 л/мин, что зависит от мощности используемых котлов.
Создание вентиляции и запуск оборудования

Чертёж для установки газового котла.
На следующем этапе следует подумать о создании вентиляции и дымохода. Вентиляционный ход должен быть прочищен и выведен на улицу с помощью трубы. Ее высота должна быть на уровне с коньком крыши. Минимальное значение высоты трубы составляет 10 градусов ниже уровня конька. Только так будет обеспечена достаточная тяга.
Вентиляция котельных помещений имеет приточный характер. Для обеспечения эффективного притока воздуха необходимо сделать в нижней части двери несколько отверстий. Дымоход можно соорудить при помощи стальной трубы. Главное, чтобы она была правильно выведена по вертикали. Стык между раструбом котла и наставляемой трубы герметизируется. Выбираются только термостойкие материалы, так как температура выходных газов может достигать 110º. Сверху на трубу дымохода грибок не ставится. Это противоречит требованиям надзорных органов.
Любой другой вид дымохода делается с помощью гофрированной трубы. Она стыкуется с котлом в его верхней части и крепится с помощью хомута. Верхняя часть трубы крепится хомутом к вентиляционной металлической решетке.
Окончательную проверку и пуско-наладочные работы, связанные с первичным пуском и установкой газового оборудования, правильно произведут работники городской газовой службы. При пуске котла в работу открывается вентиль подачи газа на котел.
Вентиль, указывающий ступень нагрева теплоносителя в котле, следует установить в положение розжига. Для обеспечения безопасности автоматика не подаст газ в топку, пока не будет механического подтверждения. То есть необходимо нажать соответствующую кнопку, после чего зажечь фитиль. В течение нескольких секунд фитиль должен гореть, после чего нужно вращать или поворачивать вентиль до цифры 1.
Возникновение характерного хлопка означает начало подачи основного потока газа и его воспламенение. Нужно продолжить движение вентиля в сторону увеличения до установки заданной температуры на термостате котла. Снижать температуру во время работы категорически запрещено.

























































